INTERFACE CAT PARA FT-817, FT-897
Introducción
En este apartado se describe la construcción de un interface para el control del transceptor Yaesu FT-817 y FT-897 a través del ordenador.


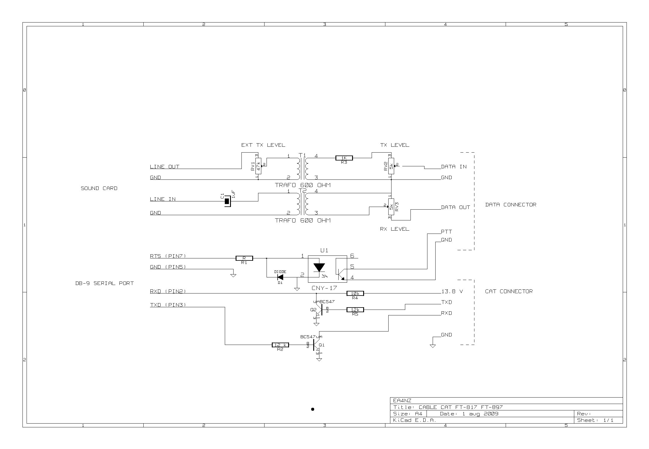
Esquema

En este apartado se describe la construcción de un interface para el control del transceptor Yaesu FT-817 y FT-897 a través del ordenador.


